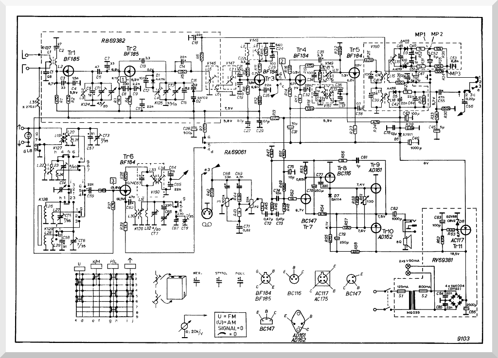
SALORA SALOME 3 KYTKENTÄKAAVIO

HELVAR CARMENCITA