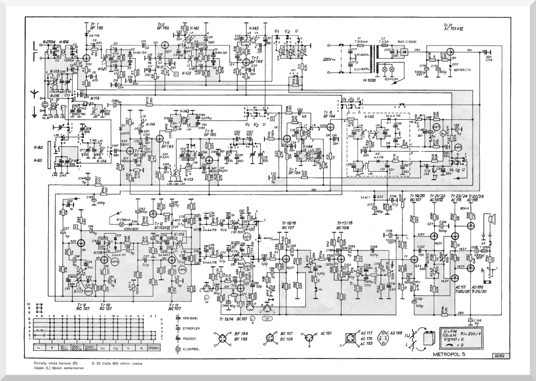
SALORA METROPOL 5 KYTKENTÄKAAVIO

KYTKENTÄKAAVIO

PIIRILEVY